TR636FE
TR636FE
TR636FE全碳纤维车架,采用特殊形成的面和下管造型,在展场上很多车友都觉得很好看,压入式BB86提高了强度和动力传递,车架走线采用全走内线,整体上有整洁的外观和低风阻的功能,TR636FE勾爪是Thru axle-Flat Mount虽然比较重,但是在大冲击下可以避免快拆脱落。
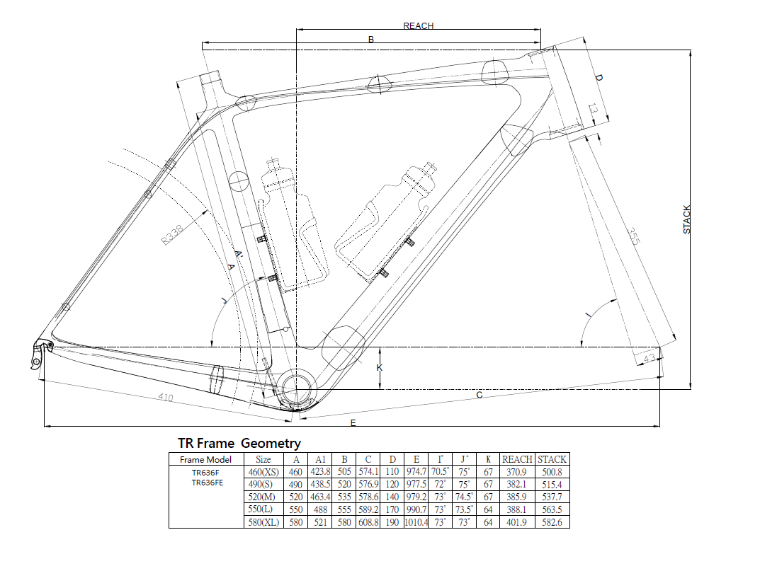
- 尺寸:46/49/52/55/58 CM
- 头管:11/8" – 1.5" Tapered
- 前叉:RC80SFE(Thru axle +Flat Mount)
- BB外壳:Shimano BB86
-
相容:Shimano DI2, disc brake rotor 140mm or 160mm
