关于我们
技術創新
客制化服务
设计讨论
设计确认
测试确认
模具和工具确认
第一批样品
大量生产
产品介绍
车架
前叉
车把
座垫
竖杆
座管
轮圈
配件
品質保證
TPS精益管理系统
iTEC ERP系统
LT交货时间优化
联络我们
語系
English
繁體中文
簡體中文
簡體中文
English
繁體中文
簡體中文
首页
Products
车把
MTB Bar
HB107
HB107
HB107
产品叙述
特点
•
超大
的全
碳
车把
的
MTB
XC
•
HB
107
:
平
•
HB
108
:
立管
•全
金星
C7
™
Hipact
™
碳
纤维
FDC
™
•卓越的
减震
性能
和
转向精确性
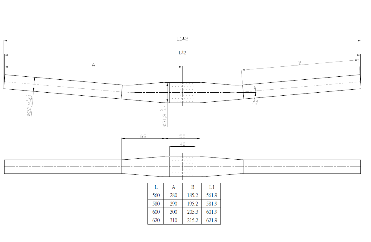
•
宽度
:
平
580毫米
/
转接
660毫米
•
阀杆夹
:
Ø31.8
过大
•重量
:
平
135克
/
转接
165克
相关产品
HB113
HB110
HB103 HB106
HB111
HB103UL HB106UL
HB101