TT918
TT918
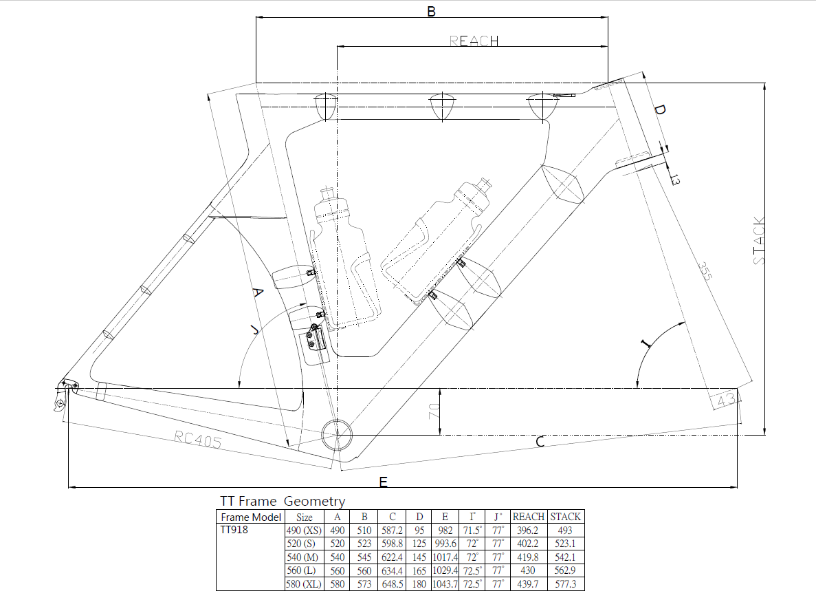
TT918是一款全新的计时车,车架的每一部位都符合国际自由车总会(法语:Union Cycliste Internationale,英语:International Cycling Union,简称:UCI)的制造标准(3:1),TT918全新的计时车使用了高级碳纤维材质及专业空气力学设计,压入式BB86提高了强度和动力传递,车架走线采用全走内线,整体上有整洁的外观和低风阻的功能,在测试上也都有达合格安全标准。期待选手们带领冠军。
•尺寸: 52CM
•头管:11/8" – 1.5" Tapered
•前叉:RC82
•BB外壳:Shimano BB86
•相容: TRIGON SP177 seat post, Shimano DI2
-frame-geometry.png)